Motorcycle Ventilation Enclosures

J.A. Brown installs professional grade dyno test rooms designed for noise reduction.

INC Dyno Shell™ Motorcycle Ventilation Enclosures

Professional Motorcycle, Trike & ATV Performance Ventilation Enclosures for the PowerSports Industry

The INC Dyno Shell by IAC Acoustics is a cost-effective product that meets your budget and provides a quality test environment. A pre-engineered and manufactured INC Dyno Shell is much less costly and performs better than any custom designed, contractor or self-built room using conventional building materials. This design can be upgraded for higher acoustical performance at any time.

The design of the new line IAC Dyno Shell room delivers a reliable proper ventilation system and has the option to contain noise within the space if the end user needs to comply to noise regulation codes. In addition, The INC Dyno Shell Test Rooms are easy to install, move, change and modify due to their modular design and extremely light construction. 

INC Dyno Shell Benefits

  • Provides a controlled testing environment
  • Provides a safe workspace for technicians
  • Eliminates dangerous fumes
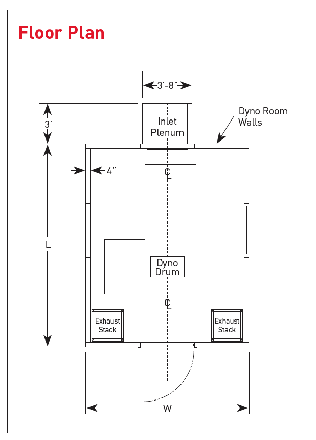
  • Protects dynamometer equipment by providing cooling air flow through aerodynamically designed inlet plenum
  • Effortless assembly, no construction hassle or dust
  • Predictable costs help to stay on budget
  • Fast and predictable project completion allows for accurate & reliable business planning

Room Size: 12' x 10'

Dimensions: W: 12', L: 10', H: 8' or 9'

1-Pane Window: 30" x 42"

Additional Windows: AVAILABLE

Door: 4' x 7'

6' Double Door: AVAILABLE

Shell Panel Fill: AVAILABLE

Room Size: 12' x 15'

Dimensions: W: 12', L: 15', H: 8' or 9'

1-Pane Window: 30" x 42"

Additional Windows: AVAILABLE

Door: 4' x 7'

6' Double Door: AVAILABLE

Shell Panel Fill: AVAILABLE

Product Resources

Have questions about Dyno Test Rooms? Contact a J.A.Brown specialist today!

Popular Accessories & Options

  • Powerful SuperVent® ventilation system with dual interior exhaust stacks
  • Larger double swing entry door (6’ or 7' wide)
  • Additional 30” wide viewing windows
  • Additional acoustic panel kit (includes QFA panels, grommets, hooks, stick pins & caps)
  • Pre-wired modular lighting & electric package
  • Factory baked powder coat vibrant color finishes
  • Heavy duty adjustable exhaust hose stands
  • Hi-temp exhaust hose kit
  • Interlocking full rubber floor system

Standard Included Features & Specifications

  • Lightweight hollow panel construction (STC-27 with solid steel exterior)
  • Interior ceiling height of 8’-0” or 9'-0" ( adequate for both pit & floor mounted dynamometers)
  • Front floor mounted fresh air inlet plenum with fixed wall grill
  • One or two mounted exhaust fans
  • One STC-33 single leaf swing door (4' wide x 7' high)
  • One 30" wide x 42" high viewing window that can be located conveniently around the room
  • Detailed assembly drawing instructions

Ready To Reduce Noise?

J.A. Brown company expertly serving Pennsylvania from Pittsburgh to Philadelphia, Delaware, and Southern New Jersey for more than 70 years!

Contact Us Today For A Free Estimate.

An acoustic treated lounge area in a large room absorbs noise and reduces unwanted sound, serving Pittsburgh to Philadelphia, PA, NJ, DE.

Why Choose J.A. Brown?

With decades of experience, a commitment to delivering tailored solutions, and a proven track record across diverse industries, J.A. Brown stands out as your trusted partner. 

We understand the unique challenges of noise and vibration control, whether in manufacturing, healthcare, or commercial settings. When precision, reliability, and expertise matter, J.A. Brown delivers results that meet regulatory standards and exceed client expectations.

Decades of Expertise

With more than 70 years in business, J.A. Brown brings unmatched knowledge and experience to tackle even the most challenging noise and vibration isolation issues.

Premier Partnerships

We use industry-leading products, from IAC Acoustics, Kinetics Noise Control, and  Sound Seal to deliver unmatched performance and durability.

Tailored Solutions

We provide custom noise and vibration control solutions designed to meet the unique demands of your industry, ensuring precision and lasting performance.

Proven Results

We have a proven track record of successfully implementing noise and vibration control systems that meet regulatory standards and enhance operational environments.

What to Expect When Working with J.A. Brown

When you partner with J.A. Brown for your noise and vibration control needs, you can expect a seamless, comprehensive process from initial evaluation to project completion. 

We take pride in providing clear communication, technical expertise, and hands-on support at every stage of the project to ensure your goals are met with precision and reliability.

a sound and vibration treated acoustic auditorium

Initial Consultation and Assessment

We begin with a detailed consultation to understand your specific noise and vibration control needs. We identify problem areas and assess the unique requirements of your facility. This involves potentially introducing you to an industry expert Acoustic Consultant from our expansive network.

Customized Solution Design

Based on this assessment, our team develops a customized solution tailored to your environment. This includes selecting the appropriate materials and products to address your specific needs.

Comprehensive Proposal

We provide a clear, detailed proposal that outlines the scope of work, project timeline, and costs, ensuring you have a full understanding of the process and expectations before moving forward.

Professional Installation

Our experienced technicians handle the installation, working efficiently to minimize disruption to your operations. We ensure products are installed to the highest standards for best performance.

Compliance and Final Testing

We can facilitate rigorous testing to ensure all solutions meet industry standards, providing you with peace of mind that your project is fully completed.

Ongoing Support and Follow-Up

We offer follow-up services to ensure the system is functioning as expected. We provide ongoing support and maintenance to ensure long-term effectiveness.

Noise & Vibration Control specialists are ready for your call.

Get In Touch

Fill out the below form and a J.A. Brown noise and vibration control specialist will respond to your inquiry. You can also reach us during normal business hours at: